产品展示

Products Classification

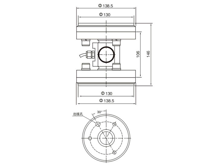
DS-1AX

  • 型   号:DS-1AX
  • 价   格:¥元

简要描述:适用于料罐、配料秤、混泥土搅拌站称重系统。...

详细介绍

技术参数Technical Parameter
额定载荷Rated Load 15t,20t
灵敏度Sensitivity 2.0000±0.002mV/V
综合误差Total Error ±0.02%F.S
蠕变Creep(30minutes) ±0.02%F.S
推荐工作电压Recommended Excitation Voltage 5V~18V(AC or DC)
最大工作电压Maximum Excitation Voltage 24V(AC or DC)
零点平衡Zero Balance ±1%F.S
输入阻抗Input Impedance 380±10Ω
输出阻抗Output Impedance 350±5Ω
绝缘阻抗Insulation Impedance ≥5000MΩ
安全过载率Safe Overload 150%F.S
极限过载率Ultimate Overload 200%F.S
工作温度范围Operating Temperature Range (-30~+70)℃
温度补偿范围Compensated Temperature Range (-20~+60)℃
输出温度影响Temperature Effect On Load ±0.02%F.S/10℃
零点温度影响Temperature Effect On Zero ±0.02%F.S/10℃
材质Construction 合金钢Alloy Steel
防护等级Protection Class IP67&IP68
引用标准Citation GB/T7551-2008/OIML R60
接线方式Mode of Connection 输入+:红 Input+:Red
输入-:黑 Input-:Black
输出+:绿 Output+:Green
输出-:白 Output-:White

 


产品咨询

留言框

  • 产品:

  • 留言内容:

  • 您的单位:

  • 您的姓名:

  • 联系电话:

  • 常用邮箱:

  • 详细地址:

上一篇:DS-S

下一篇:DS-R


推荐产品

Copyright © 2023-2024 新乡创力电器有限公司 版权所有 备案号:豫ICP备2023001844号-1

在线客服 联系方式 二维码

服务热线

18848899010

扫一扫,关注我们